结构图纸
性能参数| 3000 PSI系列 | ||||||||||||||
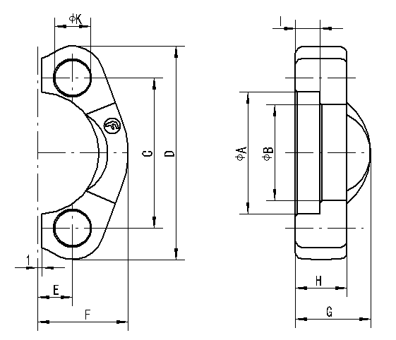
| 规格 size (inch) | 型号 Type | 尺寸参数 dimension | 配用螺栓 | 最大工 作压力(bar) | ||||||||||
| A | B | C | D | E | F | G | H | I | K | 公制 (M) | 美制 (UNC) | |||
| 1/2 | FL-08 | 30.96 | 24.26 | 38.1 | 54 | 8.74 | 22.8 | 19 | 13 | 6.22 | 8.75 | M8*25 | 5/16*1 1/4 | 350 |
| 3/4 | FL-12 | 38.89 | 32.13 | 47.63 | 65 | 11.13 | 25.9 | 22 | 14 | 6.22 | 11 | M10*30 | 3/8*1 1/4 | 350 |
| 1 | FL-16 | 45.24 | 38.48 | 52.37 | 69.85 | 13.08 | 29.2 | 24 | 16 | 7.49 | 11 | M10*30 | 3/8*1 1/4 | 350 |
| 1 1/4 | FL-20 | 51.59 | 43.69 | 58.72 | 79.4 | 15.09 | 36.3 | 22 | 14 | 7.49 | 11 | M10*35 | / | 250 |
| 1 1/4 | FL-20U | 51.59 | 43.69 | 58.72 | 79.4 | 15.09 | 36.3 | 22 | 14 | 7.49 | 12 | / | 7/16-1 1/2 | 250 |
| 1 1/4 | FL-20(M12) | 51.59 | 43.69 | 58.72 | 79.4 | 15.09 | 36.3 | 22 | 14 | 7.49 | 12.5 | M12*35 | / | 250 |
| 1 1/2 | FL-24 | 61.09 | 50.8 | 69.85 | 93.8 | 17.86 | 41.1 | 25 | 16 | 7.49 | 13 | M12*35 | 1/2-1 1/2 | 200 |
| 2 | FL-32 | 72.24 | 62.74 | 77.77 | 101.6 | 21.44 | 48.2 | 26 | 16 | 9.02 | 13.5 | M12*35 | 1/2-1 1/2 | 200 |
| 2 | FL-32(M14) | 72.24 | 62.74 | 77.77 | 101.6 | 21.44 | 48.2 | 26 | 16 | 9.02 | 14.5 | M14*35 | / | 200 |
| 2 1/2 | FL-40 | 84.94 | 74.93 | 88.9 | 114.3 | 25.4 | 54.1 | 38 | 19 | 9.02 | 13.5 | M12*40 | 1/2-1 3/4 | 170 |
| 3 | FL-48 | 102.39 | 90.93 | 106.38 | 135 | 30.96 | 65.3 | 41 | 22 | 9.02 | 17 | M16*45 | 5/8-1 3/4 | 138 |
| 6000 PSI系列 | ||||||||||||||
| 1/2 | FS-08 | 32.54 | 24.64 | 40.49 | 56.4 | 9.12 | 23.6 | 22 | 16 | 7.24 | 8.75 | M8*30 | 5/16*1 1/4 | 420 |
| 3/4 | FS-12 | 42.06 | 32.51 | 50.8 | 71.4 | 11.91 | 30 | 28 | 19 | 8.26 | 11 | M10*35 | 3/8*1 1/2 | 420 |
| 1 | FS-16 | 48.41 | 38.86 | 57.15 | 81.75 | 13.89 | 34.8 | 33 | 24 | 9.02 | 13 | M12*45 | / | 420 |
| 1 | FS-16U | 48.41 | 38.86 | 57.15 | 81.75 | 13.89 | 34.8 | 33 | 24 | 9.02 | 12 | / | 7/16-1 3/4 | 420 |
| 1 1/4 | FS-20 | 54.76 | 44.45 | 66.68 | 95.2 | 15.88 | 38.6 | 38 | 27 | 9.78 | 15 | M14*50 | / | 420 |
| 1 1/4 | FS-20(M12) | 54.76 | 44.45 | 66.68 | 95.2 | 15.88 | 38.6 | 38 | 27 | 9.78 | 13.5 | M12*45 | 1/2-1 3/4 | 420 |
| 1 1/2 | FS-24 | 64.29 | 51.56 | 79.38 | 112.8 | 18.26 | 47.5 | 43 | 30 | 12.07 | 17 | M16*55 | 5/8-2 1/4 | 420 |
| 2 | FS-32 | 80.16 | 67.56 | 96.82 | 133.4 | 22.23 | 56.9 | 52 | 37 | 12.07 | 21 | M20*65 | 3/4-2 3/4 | 420 |